Imprimante 3D à chocolat

De Wiki d'activités IMA
Révision datée du 9 mars 2016 à 15:08 par Sverdonc (discussion | contributions) (Cahier des charges)

Cahier des charges

Présentation générale du projet

Contexte

Les imprimantes 3D sont en plein essor actuellement, sous de plus en plus de formes différentes. De l'imprimante capable d'imprimer de petits objets en une seule couleur, nous passons aux imprimantes multi-fils, celles capables d'imprimer des bâtiments, ou encore celles capables de transformer les aliments. C'est vers ces dernières, encore aux balbutiements, que se dirige notre projet.

TasseChocolat.jpg

Description du projet

Nous allons créer une imprimante capable d'imprimer des aliments, et plus précisément, nous nous orientons vers le chocolat. Le chocolat est un aliment bien connu, qu'on sait liquide à chaud et solide à froid. Il semble donc idéal pour commencer.

La principale problématique se pose dans la création d'un extrudeur adapté au matériau, et le contrôle du milieu environnant (température ambiante notamment) puisque les propriétés du chocolat varient énormément selon ces conditions.

Dans le but d'une utilisation ultérieure plus diverse, nous souhaitons rendre l'asservissement en température ajustable de manière compréhensible pour qu'un tiers puisse adapter la consigne à d'autres aliments que le chocolat.


Nous allons reprendre ce projet d'après les premières tentatives d'Antoine Urquizar, du Fabricarium de Polytech.

Problématiques

Les difficultés auxquelles nous nous attendons à être confrontés, d'après les expériences menées par Antoine, sont les suivantes :

  • Contrôle de la température ambiante : l'environnement d'extrusion doit être modifiable en température de façon à ce que le chocolat se solidifie de manière contrôlée à la sortie de la buse.
  • Étanchéité de la seringue : nous optons pour une seringue contenant le chocolat liquide avant extrusion. Le piston de cette seringue doit être étanche, mais opposer le moins de résistance possible à la poussée du chocolat.
  • Chauffage du chocolat : le chocolat doit être maintenu à une température idéale pour qu'il soit assez liquide pour être extrudé, mais qu'il puisse être stable une fois déposé.
  • Actionneur de la seringue : la manière dont le chocolat sera poussé hors de la seringue. Il faut un système adapté à l'utilisation de l'imprimante, mais pouvant déployer une force suffisante pour agir sur le chocolat.
  • Refroidissement du chocolat : Le chocolat, une fois sorti de la seringue, doit pouvoir être refroidi immédiatement pour que la suite de l'impression se déroule correctement.
  • Stockage du chocolat : Si nous optons pour la méthode de la seringue, le chocolat sera en quantité limitée.

Aucune de ces difficultés ne nous semble bloquante pour le projet. De plus, nous savons que des imprimantes de ce type existent déjà et nous pourrons nous inspirer de ces expériences pour créer notre propre système.

Solutions envisagées

Au travers multiples conversations avec Alexandre Boé et Antoine Urquizar, nous avons envisagées nombre solutions différentes nous confrontant à divers problèmes :

  • Chauffage du chocolat : Dans un réservoir externe puis acheminement du chocolat ou directement dans l'extrudeur. Dans un réservoir, on peut chauffer avec des modules Peltier, ou des thermistances. Dans l'extrudeur, on utiliserai du fil résistif. Un système hydrolique chauffé permettrait un chauffage proche du bain marie, mais entraîne des problèmes d'étanchéité.
  • Extrudeur : Seringue ou autre. Si on a besoin de chauffer la seringue, le plastique isole le chocolat de chaleur et la passage du piston déforme la localement.
  • Actionneur de l'extrudeur : Électrovanne ou piston avec verrin ou vis sans fin
  • Stockage chocolat : Si le chauffage se fait dans un réservoir externe, on peut l'approvisionner en chocolat. Ce réservoir pourrait être imprimé en 3D à base de PLA qui supporte des températures supérieurs à 100°C. Si on stocke le chocolat dans l'extrudeur, on ne peut imprimer qu'une certaine quantité de chocolat.

Solution retenue

Stockage du chocolat dans un réservoir en métal (type tuyau en cuivre assez large) chauffé par du fil résistif enroulé. Le chocolat fondu est envoyé sous pression grâce à une électrovanne.

Schéma de principe3D.jpg

Matériel nécessaire

Pour commencer, nous nécessiterons une imprimante 3D. Nous n'envisageons pas d'y apporter de grosses modifications outre le remplacement de l'extrudeur. Bien que nous envisageons de la placer dans un environnement étanche, pour y contrôler la température.

Ensuite nous aurons besoin de chocolat. Non seulement pour les essais, mais aussi pour déterminer avec précisions certaines données qui varient selon le type de chocolat, telles que les points de fusion et de solidification.

Ainsi que des seringues, solution principale envisagée comme extrudeur.

Pour le contrôle de la température

  • Fil résistif - Module peltier - Résistance de puissance
  • ventilateurs
  • thermistances

Pour l'extrudeur

  • système pneumatique
  • électrovanne
  • joint

Rencontres avec les encadrants

Nous avons d'abord eu une discussion préliminaire avec Emmanuelle Pichonat pour découvrir sa vision du projet.

Ensuite, mardi 01 décembre nous avons rencontrés Alexandre Boé ainsi qu'Antoine Urquizar, avec qui nous avons échangé sur les bases du projets, défini les problématiques et discuté des solutions envisagées.


Bibliographie et documentation

Déroulement du projet

Partie logicielle

Labview

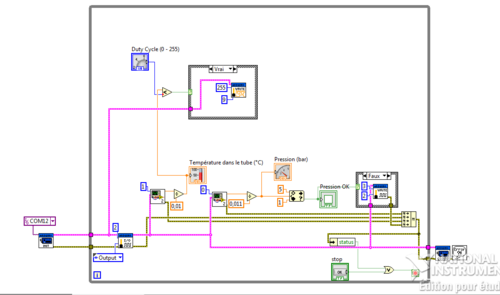
Le projet fonctionnera sur Labview, qui permet d'obtenir une interface facile d'utilisation pour n'importe quel utilisateur. De plus, ce logiciel s'adapte très bien à l'arduino, et il est conçu pour la régulation et la mesure. La principale contrainte de notre projet étant la gestion de la température en sortie de l'extrudeur, et la mesure de la pression, Labview nous semble la meilleure solution.

Faceavant Labview.PNG
Diagramme Labview.PNG


Imprimante 3D

Nous avons étudié le logiciel embarqué de notre imprimante 3D, afin de comprendre son fonctionnement et pouvoir y apporter les modifications nécessaire à l'utilisation de notre programme de régulation en parallèle. Nous cherchons notamment à pouvoir mettre en pause l'impression lorsque la pression est trop basse.

Partie matérielle

Imprimante 3D

Nous utilisons une imprimante 3D qui avait été commandée par le fabricarium, mais pas terminée. Nous reprenons le projet en cours, et terminons la conception de l'imprimante.

Extrudeur à chocolat