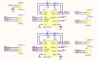
Fichier:Schema carte puissance.PNG
De Wiki d'activités IMA
Révision datée du 15 avril 2014 à 21:44 par Blafit (discussion | contributions)
Taille de cet aperçu : 800 × 492 pixels. Autres résolutions : 320 × 197 pixels | 1 220 × 750 pixels.
Fichier d'origine (1 220 × 750 pixels, taille du fichier : 101 Kio, type MIME : image/png)
Historique du fichier
Cliquer sur une date et heure pour voir le fichier tel qu'il était à ce moment-là.
Date et heure | Vignette | Dimensions | Utilisateur | Commentaire | |
---|---|---|---|---|---|
actuel | 15 avril 2014 à 21:44 | 1 220 × 750 (101 Kio) | Blafit (discussion | contributions) |
- Vous ne pouvez pas remplacer ce fichier.
Utilisation du fichier
La page suivante utilise ce fichier :