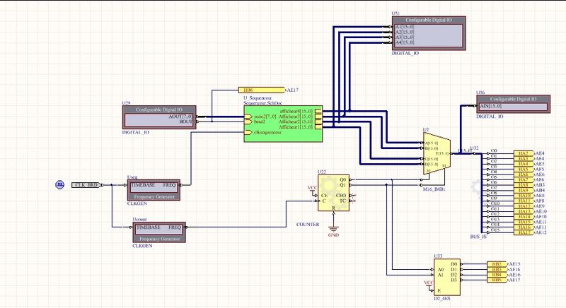
Fichier:Afficheur.jpg
De Wiki d'activités IMA
Révision datée du 18 avril 2014 à 20:53 par Froche (discussion | contributions)

Taille de cet aperçu : 800 × 436 pixels. Autres résolutions : 320 × 174 pixels | 917 × 500 pixels.
Fichier d'origine (917 × 500 pixels, taille du fichier : 124 Kio, type MIME : image/jpeg)
Historique du fichier
Cliquer sur une date et heure pour voir le fichier tel qu'il était à ce moment-là.
Date et heure | Vignette | Dimensions | Utilisateur | Commentaire | |
---|---|---|---|---|---|
actuel | 18 avril 2014 à 20:53 | ![]() | 917 × 500 (124 Kio) | Froche (discussion | contributions) |
- Vous ne pouvez pas remplacer ce fichier.
Utilisation du fichier
La page suivante utilise ce fichier :