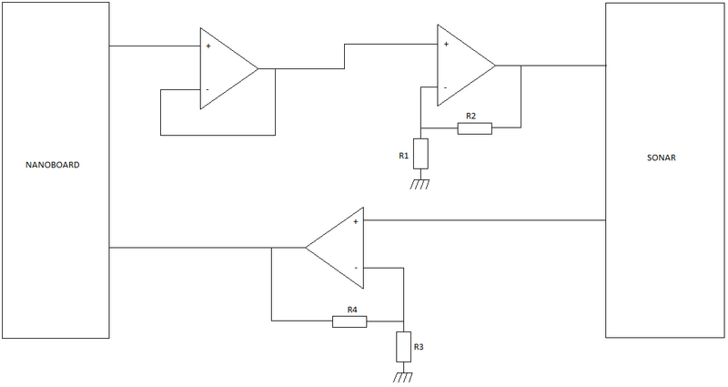
Fichier:SchemaPartAnalo.png
De Wiki d'activités IMA
Révision datée du 3 mai 2014 à 13:11 par Byvernau (discussion | contributions)
Taille de cet aperçu : 800 × 425 pixels. Autres résolutions : 320 × 170 pixels | 1 117 × 593 pixels.
Fichier d'origine (1 117 × 593 pixels, taille du fichier : 22 Kio, type MIME : image/png)
Historique du fichier
Cliquer sur une date et heure pour voir le fichier tel qu'il était à ce moment-là.
| Date et heure | Vignette | Dimensions | Utilisateur | Commentaire | |
|---|---|---|---|---|---|
| actuel | 3 mai 2014 à 13:11 | 1 117 × 593 (22 Kio) | Byvernau (discussion | contributions) |
- Vous ne pouvez pas remplacer ce fichier.
Utilisation du fichier
La page suivante utilise ce fichier :