Fichier:4 tout relie final.png
De Wiki d'activités IMA
Révision datée du 4 mai 2014 à 13:44 par Jtournie (discussion | contributions)
Taille de cet aperçu : 800 × 484 pixels. Autres résolutions : 320 × 194 pixels | 927 × 561 pixels.
Fichier d'origine (927 × 561 pixels, taille du fichier : 56 Kio, type MIME : image/png)
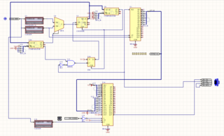
Projet 1 année SC communication série 2013-2014 Flavien Royer, Thibault Scholaert, Jean-Michel Tournier
Schéma électronique final et fonctionnel (Altium Designer). La partie émission ce trouve au dessous, la réception au dessus.
Historique du fichier
Cliquer sur une date et heure pour voir le fichier tel qu'il était à ce moment-là.
| Date et heure | Vignette | Dimensions | Utilisateur | Commentaire | |
|---|---|---|---|---|---|
| actuel | 4 mai 2014 à 13:06 | 927 × 561 (56 Kio) | Jtournie (discussion | contributions) | Projet 1 année SC communication série, schéma électronique final et fonctionnel |
- Vous ne pouvez pas remplacer ce fichier.
Utilisation du fichier
La page suivante utilise ce fichier :