Fichier:BlocFinal.png
De Wiki d'activités IMA
Révision datée du 11 juin 2014 à 10:57 par Avinot (discussion | contributions)
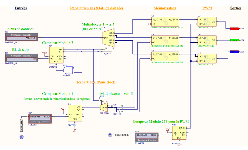
Taille de cet aperçu : 800 × 485 pixels. Autres résolutions : 320 × 194 pixels | 1 435 × 870 pixels.
Fichier d'origine (1 435 × 870 pixels, taille du fichier : 162 Kio, type MIME : image/png)
Historique du fichier
Cliquer sur une date et heure pour voir le fichier tel qu'il était à ce moment-là.
| Date et heure | Vignette | Dimensions | Utilisateur | Commentaire | |
|---|---|---|---|---|---|
| actuel | 11 juin 2014 à 10:57 | 1 435 × 870 (162 Kio) | Avinot (discussion | contributions) |
- Vous ne pouvez pas remplacer ce fichier.
Utilisation du fichier
La page suivante utilise ce fichier :