Fichier:Captureschema.JPG
De Wiki d'activités IMA
Révision datée du 3 juin 2011 à 19:22 par Gliu (discussion | contributions) (Dans cette partie, on crée et génère trois signaux de PWM(huit bits) qui bien représentent les couleurs Rouge, Vert et bleu sur le logiciel Altium Designer, après on change les rapport cyclique de ces signaux grâce à une donnée de commande, puis o)
Taille de cet aperçu : 800 × 484 pixels. Autres résolutions : 320 × 193 pixels | 1 348 × 815 pixels.
Fichier d'origine (1 348 × 815 pixels, taille du fichier : 141 Kio, type MIME : image/jpeg)
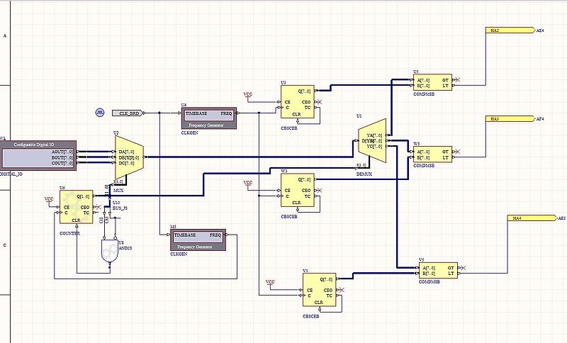
Dans cette partie, on crée et génère trois signaux de PWM(huit bits) qui bien représentent les couleurs Rouge, Vert et bleu sur le logiciel Altium Designer, après on change les rapport cyclique de ces signaux grâce à une donnée de commande, puis on mette le signal passer un filtre passe-bas ainsi d’obtenir une couleur voulue. A la fin, on peut voir la couleur bien allumée sur le LED
Historique du fichier
Cliquer sur une date et heure pour voir le fichier tel qu'il était à ce moment-là.
| Date et heure | Vignette | Dimensions | Utilisateur | Commentaire | |
|---|---|---|---|---|---|
| actuel | 3 juin 2011 à 19:22 | 1 348 × 815 (141 Kio) | Gliu (discussion | contributions) | Dans cette partie, on crée et génère trois signaux de PWM(huit bits) qui bien représentent les couleurs Rouge, Vert et bleu sur le logiciel Altium Designer, après on change les rapport cyclique de ces signaux grâce à une donnée de commande, puis o |
- Vous ne pouvez pas remplacer ce fichier.
Utilisation du fichier
La page suivante utilise ce fichier :