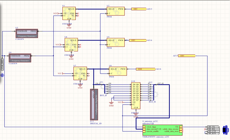
Fichier:Shéma électronique.png
De Wiki d'activités IMA
Révision datée du 15 juin 2012 à 12:06 par Zliu1213 (discussion | contributions)
Taille de cet aperçu : 800 × 490 pixels. Autres résolutions : 320 × 196 pixels | 939 × 575 pixels.
Fichier d'origine (939 × 575 pixels, taille du fichier : 50 Kio, type MIME : image/png)
Historique du fichier
Cliquer sur une date et heure pour voir le fichier tel qu'il était à ce moment-là.
| Date et heure | Vignette | Dimensions | Utilisateur | Commentaire | |
|---|---|---|---|---|---|
| actuel | 15 juin 2012 à 12:06 | 939 × 575 (50 Kio) | Zliu1213 (discussion | contributions) |
- Vous ne pouvez pas remplacer ce fichier.
Utilisation du fichier
Les 2 pages suivantes utilisent ce fichier :