Fichier:Matlab.JPG
De Wiki d'activités IMA
Révision datée du 6 février 2017 à 16:50 par Dmohamed (discussion | contributions) (Campagne d'acquisition sur Matlab)
Taille de cet aperçu : 800 × 422 pixels. Autres résolutions : 320 × 169 pixels | 1 425 × 751 pixels.
Fichier d'origine (1 425 × 751 pixels, taille du fichier : 75 Kio, type MIME : image/jpeg)
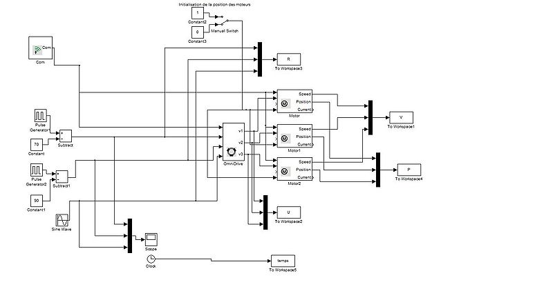
Campagne d'acquisition sur Matlab
Historique du fichier
Cliquer sur une date et heure pour voir le fichier tel qu'il était à ce moment-là.
| Date et heure | Vignette | Dimensions | Utilisateur | Commentaire | |
|---|---|---|---|---|---|
| actuel | 6 février 2017 à 16:50 | 1 425 × 751 (75 Kio) | Dmohamed (discussion | contributions) | Campagne d'acquisition sur Matlab |
- Vous ne pouvez pas remplacer ce fichier.
Utilisation du fichier
La page suivante utilise ce fichier :