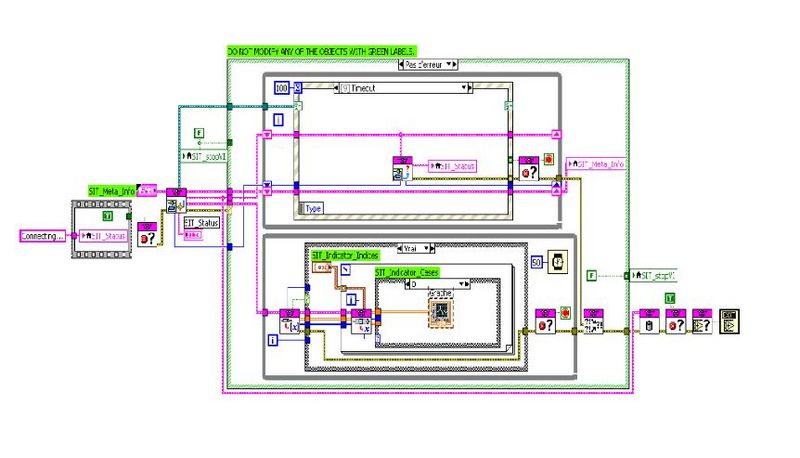
Fichier:Sinusoide2.JPG
De Wiki d'activités IMA
Révision datée du 6 mai 2013 à 13:37 par Imabrouk (discussion | contributions)
Taille de cet aperçu : 800 × 458 pixels. Autres résolutions : 320 × 183 pixels | 862 × 493 pixels.
Fichier d'origine (862 × 493 pixels, taille du fichier : 69 Kio, type MIME : image/jpeg)
Historique du fichier
Cliquer sur une date et heure pour voir le fichier tel qu'il était à ce moment-là.
| Date et heure | Vignette | Dimensions | Utilisateur | Commentaire | |
|---|---|---|---|---|---|
| actuel | 6 mai 2013 à 13:37 | 862 × 493 (69 Kio) | Imabrouk (discussion | contributions) |
- Vous ne pouvez pas remplacer ce fichier.
Utilisation du fichier
La page suivante utilise ce fichier :