Fichier:Circuit-electronique-Juliette-Elfie.jpeg
De Wiki d'activités IMA
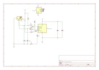
Révision datée du 10 octobre 2022 à 10:33 par Edescarp (discussion | contributions) (Voici le schéma effectué sur kicad d'une carte USB. Plus précisément, nous avons le schéma du circuit électrique de cette carte avec tout ces composants.)

Taille de cet aperçu : 800 × 566 pixels. Autres résolutions : 320 × 227 pixels | 2 339 × 1 656 pixels.
Fichier d'origine (2 339 × 1 656 pixels, taille du fichier : 137 Kio, type MIME : image/jpeg)
Voici le schéma effectué sur kicad d'une carte USB. Plus précisément, nous avons le schéma du circuit électrique de cette carte avec tout ces composants.
Historique du fichier
Cliquer sur une date et heure pour voir le fichier tel qu'il était à ce moment-là.
Date et heure | Vignette | Dimensions | Utilisateur | Commentaire | |
---|---|---|---|---|---|
actuel | 10 octobre 2022 à 10:33 | ![]() | 2 339 × 1 656 (137 Kio) | Edescarp (discussion | contributions) | Voici le schéma effectué sur kicad d'une carte USB. Plus précisément, nous avons le schéma du circuit électrique de cette carte avec tout ces composants. |
- Vous ne pouvez pas remplacer ce fichier.
Utilisation du fichier
Aucune page n'utilise ce fichier.